Savjetovanje je važan dio u procesu donošenja odluka. U skladu s našim dugogodišnjim iskustvom, pružamo vam konzultantske usluge i tehnička rješenja. Uključite nas u projektni tim kako bi vaš projekt i u rasvjeti bio besprijekoran.

Svjetlo je nevidljivo, ali sav materijalni svijet čini vidljivim. Izreka da slika govori tisuću riječi u slučaju prezentacije koncepta rasvjete vrijedi još više. Ovisno o potrebi i dogovoru, izrađujemo 2D vizualizacije, tlocrtne prikaze, 3D vizualizacije cijelog prostora i simulacije scena s renderima ili kroz animaciju.

Razvoj projekata od ideje i skice, nakon potvrde koncepta, podrazumijeva izradu tehničke dokumentacije. Tehnička rješenja, idejni, glavni i izvedbeni projekti rasvjetnog sustava, dio su naših usluga. Projektnom dokumentacijom definiraju se mikrolokacije svjetiljki, uz upute za montažu i izradu troškovnika s detaljnom specifikacijom potrebne opreme.

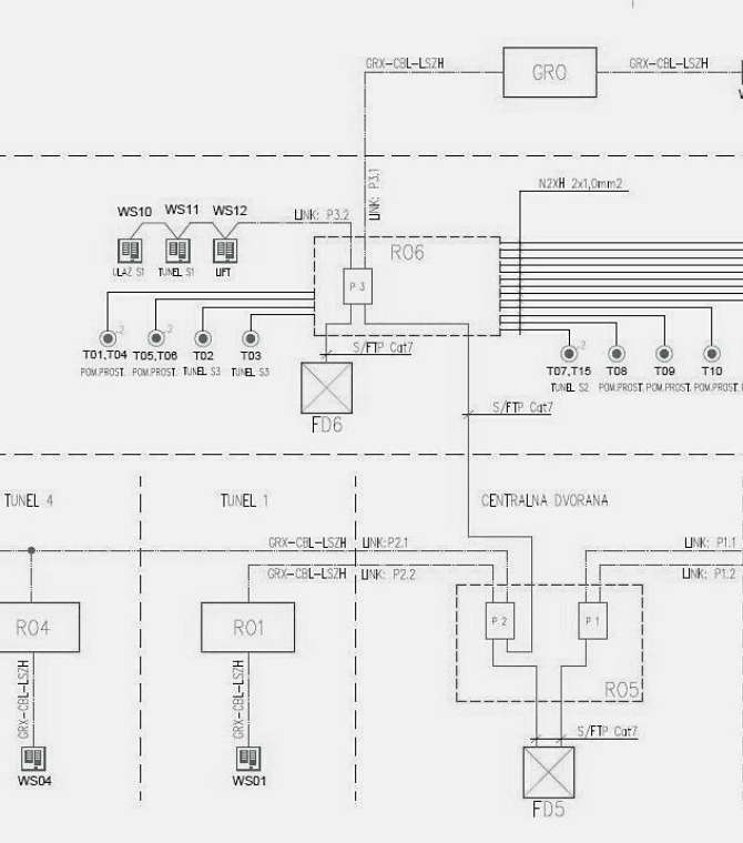
Sustavi upravljanja rasvjetom odabiru se sukladno namjeni objekta, želji investitora i tipologiji objekta, njegovoj veličini i potrebama za upravljanjem. Usluga uključuje definiranje pozicija tipkovnica i senzora, specifikaciju upravljačke opreme, izradu jednopolnih shema te odabir gravura na tipkovnicama u dogovoru s investitorom.

Lumenart isporučuje svjetiljke i profesionalnu rasvjetnu opremu od najkvalitetnijih do vrlo pouzdanih brandova. Pratimo potrebe gradilišta te vršimo pravovremene isporuke i primopredaju robe.

Gradilišta su dinamični sustavi koji zahtijevaju brzu komunikaciju i izlaske na teren. U timu Kuće svjetla imamo ovlaštene inženjere i za projektantski nadzor, a projektanti redovito prate koordinacije i pružaju tehničku podršku instalaterima pri montaži.

Rasvjetni sustavi, nakon montaže, zahtijevaju programiranje, fino podešavanje i usmjeravanje te puštanje u pogon. Lumenart je stručan partner u primopredajama projekata, edukacijama ovlaštenog osoblja i krajnjih korisnika.

Jamstveni rok opreme koju isporučujemo je od 2 do 8 godina, ovisno o proizvođaču. Kvaliteta i dugotrajnost opreme jedna je od prioriteta kako bi vaša investicija bila dugoročno isplativija.
